
合亿兴 PVD 多弧离子源
根据金属材质可以采用的硬化手段有:冷作硬化,高频(中频)淬火处理,氮化,渗碳淬火,碳氮共渗,电镀、表面涂层等。
气相沉积技术是近年来发展最快的表面涂层技术。气相沉积技术包括化学气相沉积和物理气相沉积两大类。PVD 是物理气相沉积(Physical Vapor Deposition)的英文缩写,CVD 是化学气相沉积(Chemical Vapor Deposition)的英文缩写。
PVD 是指在真空条件下,采用低电压、大电流的电弧放电技术,利用气体放电使靶材蒸发并使被蒸发物质与气体都发生电离,利用电场的加速作用,使被蒸发物质及其反应产物沉积在工件上。
PVD 技术出现于二十世纪七十年代末,制备的薄膜具有低温制备、高硬度、低摩擦系数、很好的耐磨性和化学稳定性等优点。最初在高速钢刀具领域的成功应用引起了世界各国制造业的高度重视,人们在开发高性能、高可靠性涂层设备的同时,也在硬质合金、陶瓷类刀具中进行了更加深入的涂层应用研究。
与 CVD(Chemical Vapor Deposition 的简称)工艺相比,PVD工艺处理温度低,在 600℃以下时对刀具材料的抗弯强度无影响;薄膜内部应力状态为压应力,更适于对硬质合金精密复杂刀具的涂层;PVD 工艺对环境无不利影响,符合现代绿色制造的发展方向。
目前 PVD 涂层技术已普遍应用于硬质合金立铣刀、钻头、阶梯钻、油孔钻、铰刀、丝锥、可转位铣刀片、异形刀具、焊接刀具等的涂层处理。
PVD 技术不仅提高了薄膜与刀具基体材料的结合强度,涂层成分也由第一代的 TiN 发展为 TiC、TiCN、ZrN、CrN、MoS2、TiAlN、TiAlCN、TiN-AlN、CrAlN、AlCrN、CNx、DLC、SIC 和 ta-C 等多元复合涂层。
PVD 涂层在中国还处于刚刚起步的阶段。近两三年来一些国际性的公司先后在国内建立了涂层中心,使得硬涂层服务在某些行业,特别是刀具业的涂层上形成较为激烈的竞争。其竞争的结果是涂层服务商竞相压价。我国 PVD 上游 PVD 生产设备,PVD 涂层等,下游主要是电子产品、汽车、机械加工等行业。高端的 PVD 设备和涂层市场基本由外国公司占领。
2012 年我国 PVD 市场规模达到 228 亿元,同比 2011 年的 198亿元增长 15.15% (见《2014-2019 年 PVD 市场深度研究与投资前景调研报告》)。
本着科技兴国、用科技与创新改善人类生活质量的梦想,为了解决我国 PVD 技术的瓶颈问题,合亿兴机电设备公司(简称:合亿兴机电设备)于 2012 年开始研发世界领先的 HI3 PVD 技术。经过近五年的不断实践,合亿兴机电设备终于研制出了国际领先的 HI3PVD 离子源。
合亿兴机电设备研制的 HI3 PVD 离子源
虽然合亿兴机电设备公司在 PVD 领域没有国际大公司那样的知名度,但合亿兴机电设备是真正具有 HI3( 三重高离化)技术的涂层公司,而且合亿兴机电设备的 PVD 技术具有自己独特的特点。与国外新进 PVD 技术的比较:
一、HI1、采用先进的无极磁控技术增强弧斑运动速度和分裂速度,减少熔滴,增强金属蒸汽和气体离化。合亿兴机电设备的 PVD离子源具有先进的无极磁控技术,且磁控效果最优化,磁场拓展更充分。同时,采用电子式引弧,快速更换靶材设计,独特的布气方
式等,整体性能上和巴尔查斯的技术相当,个别功能超越巴尔查斯。
二、HI2、提高等离子能量进而提高离化率。和国外技术相比,我们通过辅助阳极的优化设计,合亿兴机电设备的弧光增强的辉光放电刻蚀技术可靠高效,不会出现巴尔查斯那样在刻蚀时偏压经常打火现象。
三、HI3、磁场充分拓展并覆盖整个镀区,镀区等离子体完全磁化,在正交电磁场作用下,增加等离子密度,提高金属中性原子和气体的离化率,进而提高膜层生长速度和膜层质量。
同时我公司也具有高效稳定的 HIPAC 混合技术(高离化溅射和多弧混合涂层技术)。通过特殊磁控和布气技术,多弧靶可以工作在辉光放电的磁控溅射(高离化溅射)和弧光两种工作状态,不需要配备额外的磁控靶。与其它公司的 PVD 技术比较,合亿兴机电设备的技术优势有:
1、采用高压或者高频高压引弧方式,阴极点火系统可免维护。
2、达到极高的离化率(金属离化率接近 100%(钛靶),气体离化率大于 90%)。
3、特殊的离子源结构和无极磁控系统,保证了离子源新旧靶材一致换增发速度,从而达到极高的膜层均匀性。
4、采用特殊的磁场结构,在靶材全寿命工作过程中无需调整磁场强度。
5、靶材利用率高,靶材利用率可以达到 73%。
6、无可比拟的镀膜质量。先进的磁控技术,弧斑更细更快,在纯氩气放电条件下长时间稳弧,可以镀各种纯金属膜,几乎无熔滴。
7、高速的沉积速率。在三重转条件下,涂层生长速度可达 3-8微米/小时。
8、采用混合工艺可以镀一些导电性不好的靶材,如 B、SI 等,大大丰富了涂层种类,工艺更灵活。
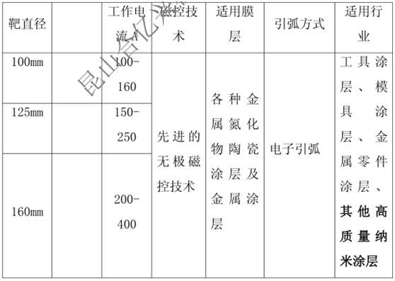
基本参数表:

合亿兴机电设备引弧溅射离子源测试图
靶材烧蚀后的形貌
本系列弧源结构简介、紧凑,下图为安装图





